[流程说明]

企划签呈流程

 

 

委外广告/行销签呈流程

 

赛博资源出租签呈(低于标准租押金或制式合同条文修改及补充协议或合同期限超过1年)流程

人事行政培训类签呈(有关人事、行政、培训的个案申请)

 

 

赛博修缮工程签呈流程

装修签呈流程

 

 

其它签呈流程

固定资产采购签呈流程

 

 

员工奖惩签呈

离职审批表流程

 

 

出差申请(不超过31天) 流程

出差报销申请流程

 

 

赛博资源出租合同用印流程

非赛博资源出租合同用印(适用于除出租合同以外的其它用印)流程

 

 

 

专案执行成本报告表

 

专案卡号签呈

 

 

 

专案预算表

 

扎实出差申请(不超过31天)

 

 

 

扎实出差报销/请款申请

 

扎实合同用印

 

 

 

员工请假流程

 

请假调整申请

 

 

 

员工休假票务报销申请

 

加班申请

 

 

 

加班核定

 

调休申请

 

 

 

调休调整申请

 

 

 

 

 

 

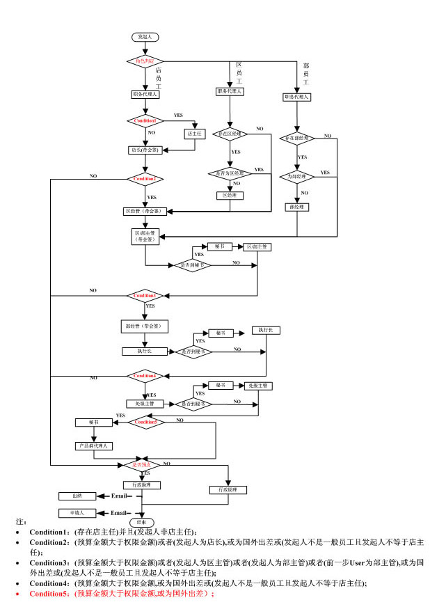
出差申请(不超过31) / 预支流程

流程图

 

流程说明

1. 流程步骤终止会自动发 email 通知已签过步骤

2. 国外出差流程一律至董事长

3. 经管 ( 区、部 ) 人员 , 可退件 , 但无法中止流程

4. 出差天必须 <=31 , 才可使用该流程

5 .行政助理为发起人所属单位行政助理

 

向上

法务出差申请(不超过31) / 预支流程

流程图

 

流程说明

1. 发起人员包括: 各区法务和总部法务。

2. 审核人员包括: 区部经管,区部人事,区部财务,区副总,执行长,董事长

 

向上