[流程说明]

企划签呈流程

 

 

委外广告/行销签呈流程

 

赛博资源出租签呈(低于标准租押金或制式合同条文修改及补充协议或合同期限超过1年)流程

人事行政培训类签呈(有关人事、行政、培训的个案申请)

 

 

赛博修缮工程签呈流程

装修签呈流程

 

 

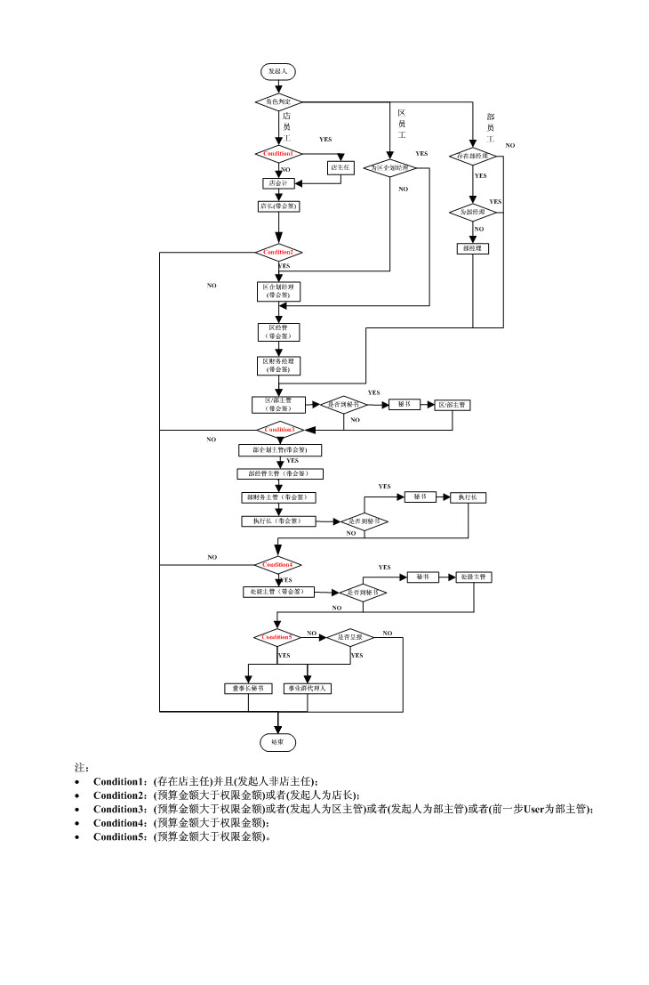
其它签呈流程

固定资产采购签呈流程

 

 

员工奖惩签呈

离职审批表流程

 

 

出差申请(不超过31天) 流程

出差报销申请流程

 

 

赛博资源出租合同用印流程

非赛博资源出租合同用印(适用于除出租合同以外的其它用印)流程

 

 

 

专案执行成本报告表

 

专案卡号签呈

 

 

 

专案预算表

 

扎实出差申请(不超过31天)

 

 

 

扎实出差报销/请款申请

 

扎实合同用印

 

 

 

员工请假流程

 

请假调整申请

 

 

 

员工休假票务报销申请

 

加班申请

 

 

 

加班核定

 

调休申请

 

 

 

调休调整申请

 

 

 

 

 

 

赛博企划活动签呈(包含资源交换或厂商赞助流程)

流程图

流程说明

1. 流程步骤终止会自动发 email 通知已签过步骤

2. 退件,可选择退至流程前一步骤,或直接退给流程起始者

3. 专职主管 ( 经管、财务、法务、人事 [ 含区、部 ]) 可退件,但无法终止流程

4. 会签单位无法终止、退件流程

5. 流程结束时 , 系统会自动发 email 通知申请人

 

向上